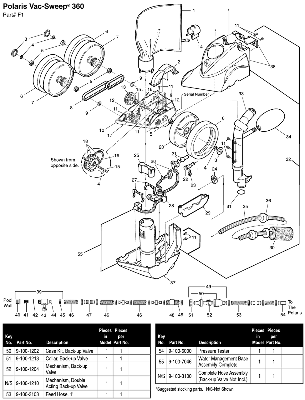
Polaris 360 E-clip Stainless Steel is actually a replacement part for your Polaris 360 Automatic Swimming Pool Cleaner. Zodiac Manufactures this part for use with Polaris Pool Cleaners. Recommended for use with Polaris 360, Polaris 380, Polaris ATV,...