The wall fitting is an outlet that should used by your pool for the water supply that comes from the booster pump.
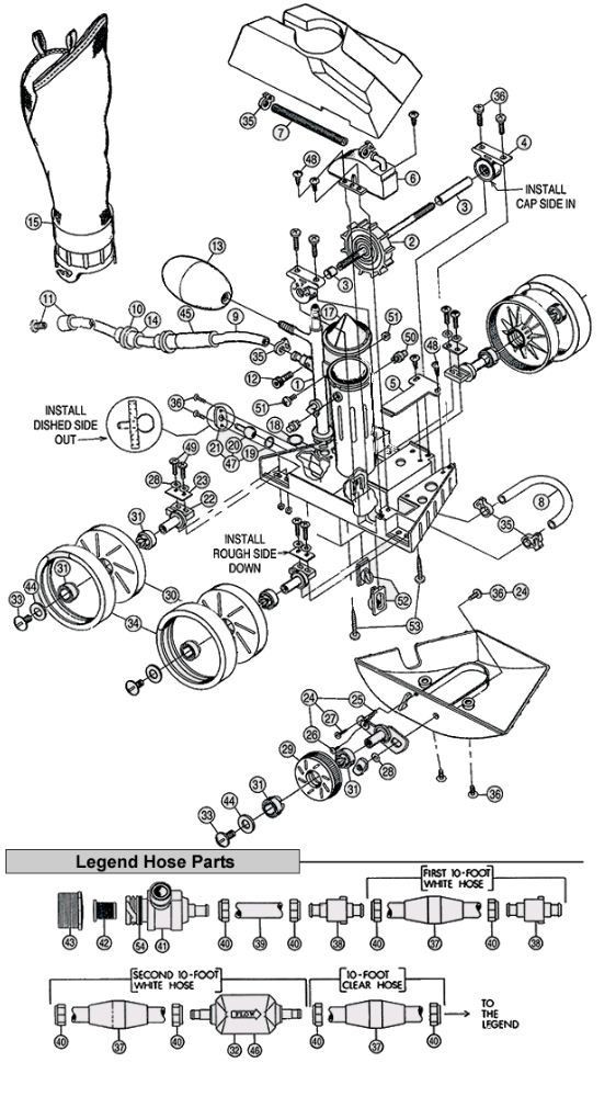
For Use With: Legend® 3-Wheel, Legend® 4-Wheel, Kreepy Krauly® Legend®, Jet VAC JV105, Legend® Platinum Pool...